|  | 風淋室專題 佰倫風淋室已榮獲多項國家專利! |  | 服務熱線:蘇小姐 181-02663890 黃先生 135-70963007 | 
產品分類
熱門文章排行
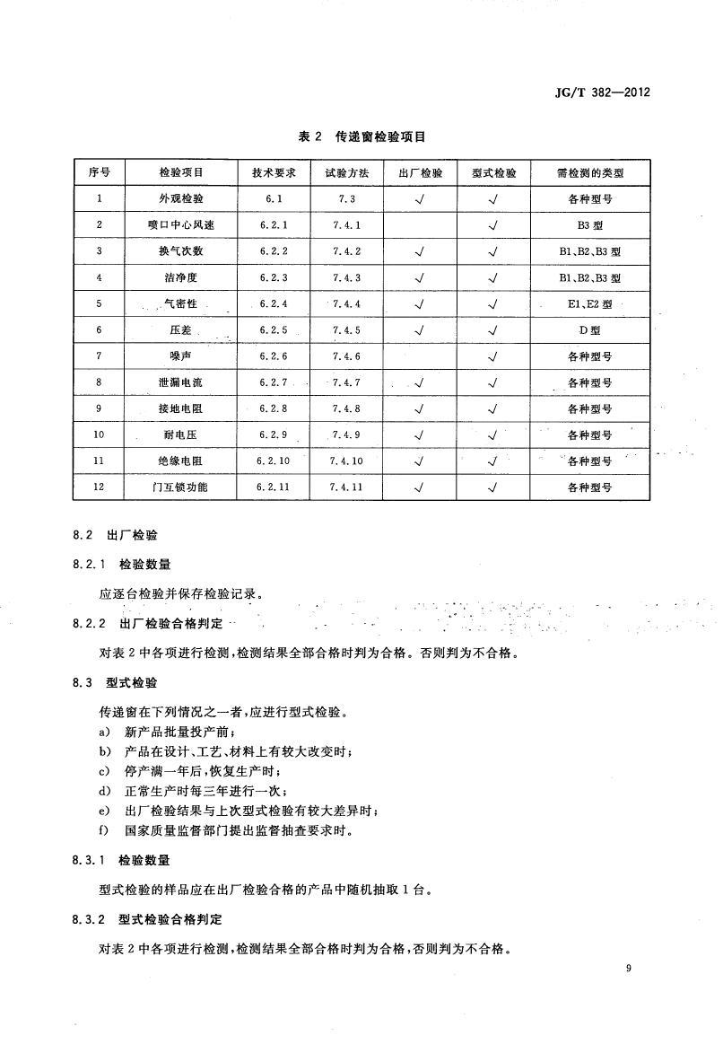
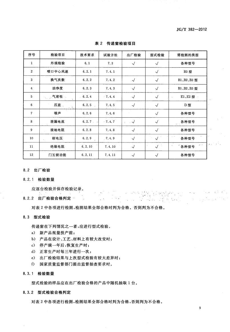
JG/T382-2012傳遞窗行業標準
	發布時間:2016-07-18 11:01:43   瀏覽:19438
	














傳遞窗行業標準原文鏈接:http://www.dcepcbdc.com/article/20160718105549.html
原文來源:http://www.dcepcbdc.com/ 黃生13570963007
| 上一篇:公司介紹 | 下一篇:潔凈棚與無塵車間相比優劣勢有哪些?... | 
